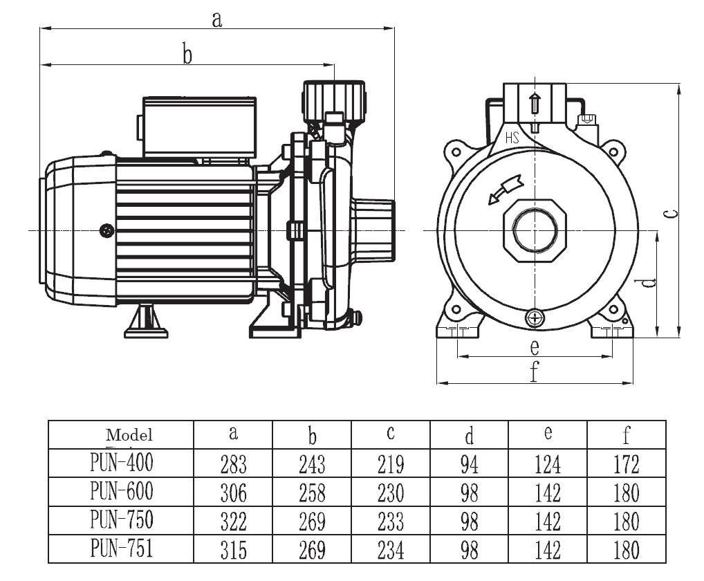
PUN-400
- Tehnički parametri
- Nennförderhöhe(m) :15
- Nenndurchfluss(m³/h):3
- IP-Klasse :44
- Isolationsklasse:F
- Größe des Einlasses(mm) :32
- Auslass Größe(mm):32
- Port-zu-Port-Länge (mm) :/
- Systemdruck(Bar):5
- Srednja temperatura
- Umgebungstemperatur(℃) :0℃~40℃
- Flüssigkeitstemperatur(℃):0℃~90℃
- Električni podaci
- Leistung(w):680
- Frequenz(Hz):50
- Spannung(V):220



+86 6237 9807
info@shinhoopump.com




IPv6-Нетзверк Вирд Унтерстутзт