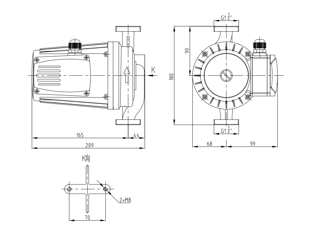
Basic 25-9-180
- Tehnički parametri
- Nazivna visina (m) :5
- Nazivni protok (m³/h):5
- IP klasa:IP44
- Klasa izolacije:H
- Dimenzija ulaza (mm):25
- Dimenzija izlaza (mm):25
- Dužina od kraja do kraja (mm):180
- Pritisak sistema (Bar):10
- Srednja temperatura
- Temperatura okoline (℃) :0℃~40℃
- Temperatura tečnosti (℃):2℃~110℃
- Električni podaci
- Snaga (W):300
- Frekvencija (Hz):50
- Napon (V):230





+86 6237 9807
info@shinhoopump.com




IPv6-Нетзверк Вирд Унтерстутзт